
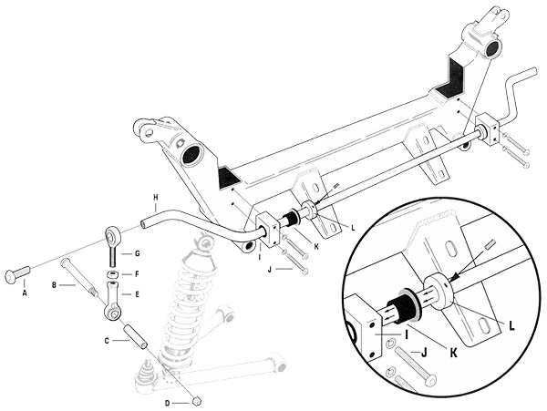
Parts List :
|
|
No. |
Description |
Qty. |
|
A. |
Anti-Sway Bar
Link Bolt |
2 |
|
B. |
Lower-Coil-over
Shock Bolt |
2 |
|
C. |
Anti-Sway Bar
Link Spacer |
2 |
|
D. |
Lower Coil-over
Shock Locknut |
2 |
|
E. |
Female Heim
Joint Link |
2 |
|
F. |
Heim Joint
Locknut |
2 |
|
G. |
Male Heim Joint
Link |
2 |
|
H. |
Anti-Sway Bar |
1 |
|
I. |
Anti-Sway Bar
Mount |
2 |
|
J. |
Anti-Sway Bar
Mount Bolts |
4 |
|
K. |
Anti-Sway Bar
Bushing |
2 |
|
L. |
Anti-Sway Bar
Lock Sleeve |
2 |
|
Search
|
Illustrated
Installation Guides
|
E-mail
Us |
