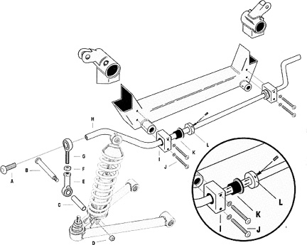
'35-'48 Independent Front Suspension Anti-Sway Bar Installation

 

 

Parts List

No. Description Qty.
A. Anti-Sway Bar Link Bolt 2
B. Lower Coil-Over Shock Bolt 2
C. Anti-Sway Bar Link Spacer 2
D. Lower Coil-Over Shock Locknut 2
E. Female Heim Joint Link 2
F. Heim Joint Locknut 2
G. Male Heim Joint Link 2
H. Anti-Sway Bar 1
I. Anti-Sway Bar Mount 2
J. Anti-Sway Bar Mount Bolts 4
K. Ant-Sway Bar Bushing 2
L. Anti-Sway Bar Lock Sleeve 2

 

 

|  Search |  Illustrated Installation Guides  |  E-mail Us |

   

 

800-979-4278