MUSTANG 11" DISC BRAKE KIT

INSTRUCTIONS

    PLEASE READ THESE INSTRUCTIONS THOROUGHLY BEFORE BEGINNING INSTALLATION





 

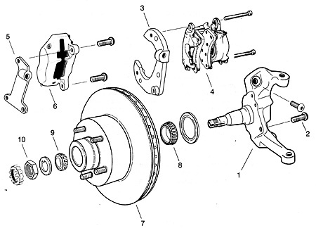
PARTS LIST     CALIPERS TO USE WITH THIS KIT:
NO. DESCRIPTION QTY.   '78-'86 Buick Regal
1 Spindle (Drop Style Shown) 2   '78-'87 Grand Prix
2 Caliper Bracket Bolts 4   '78-'86 Monte Carlo
3 GM Caliper Bracket 2   '82-'87 Trans-Am
4 GM Caliper 2   '78-'87 Olds Cutlass
5 4 Piston Caliper Bracket 2   '78-'85 Olds F-85
6 4 Piston Aluminum Caliper 2   '78-'86 Chevelle
7 Brake Rotor 2   '82-'87 Firebird
8 Inner Bearing 2   '78-'85 Malibu
9 Outer Bearing 2   '78-'8l Tempest
10 Spindle Nut 2   '82-'87 Camaro
        '82-'87 Bonneville
        '78-'87 El Camino
        '78-'87 Le Mans


 

This Mustang brake kit is designed to provide a substantial improvement in stopping power as compared to the original 9" brakes. All of the required work to install this kit is just bolt on.
Please take some time to review these instructions and drawings before beginning the installation to make the job go smooth and easy.
1.
Remove all of the old components including: rotors, calipers, caliper brackets and dust shields
2.
Clean all mounting surfaces on the spindle.
3.
Bolt the ductile iron or optional aluminum caliper brackets to the spindle. Note that the caliper bracket faces away from the steering arm (see drawing). Please use loctite on the mounting bolts.
4.
Pack inner and outer bearings with hi-temp disc brake grease and install inner bearing and grease seal in rotor.
5.
Install the new rotor on spindle, followed by outer bearing, keyed washer, spindle nut, spindle nut cage, cotter pin and dust cap.
6.
Next step is to install calipers. Make sure that bleeder screws are facing up.
7.
Install new flex brake lines with new copper sealing washers on both sides of the 10mm x 1.50 banjo fittings. Make sure there is enough clearance and slack in the brake lines, especially under full left and right turns.
8.
Bleed the brakes and check to make sure that the rotors are not dragging excessively (a slight drag is preferred). By this time, the pedal should be relatively firm.
9.
If there is excessive drag, check the following:
 
FREEPLAY - make sure there is sufficient freeplay in the master cylinder pushrod, there should be approximately 1/16".
 
RESIDUAL VALVE - check to be sure there is no more than a 2 psi residual pressure valve on the front brakes (including the one built-into the master cylinder).
 
ALIGNMENT - caliper must be square to and centered on the rotor.

 

|  Search |  Illustrated Installation Guides  |  E-mail Us |

   

 

800-979-4278